您好!欢迎访问东莞市携铧自动化有限公司网站!
产品分类

Products center

您的位置: 网站首页> 伺服电机

伺服电机XH60-01330K2-MA


功能介绍:


伺服电机最高可搭配多摩川高精度23-bit等级(8388608p/rev)编码器,提升定位精度与低速运转稳定度。

 

可记忆65535圈绝对位置,支持绝对位置控制及软限位,节省限位开关原点开关,在减少故障点的同时,


方便配线。


典型应用:


机器人、新能源、3C、电子设备、广告喷雕设备、激光设备、电子加工、贴标机、线材设备、数控机床、LED设备、印刷机械、食品生产线等


电机参数


400W伺服电机-电机参数 JPG-ok


接线定义




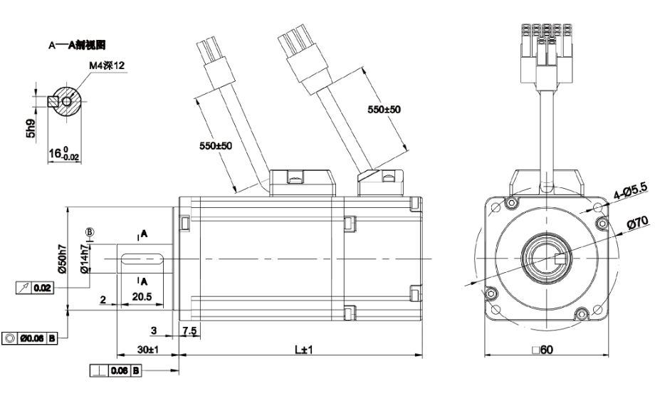
安装尺寸


电机图片